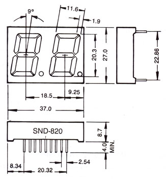
SND-820
SND-827

7-segment 2-digit Numeric LED Displays
0.8"(20.3mm), High Reliability


Features

1. High brightness with high contrast.
2. Low power consumption.
3. Uniform brightness and wide view angle.
4. Cathode-common and anode common types available.

5. Emitting color available in red, green, orange and yellow-green.

6. Standard with black face and milky white segment color.
7. Solid state reliability.

Dimensions

Pin Layout

 

  

 

 

(Top View)

 

  

 

SND-820

 

 SND-827

Absolute Maximun Ratings (Ta = 25°C)

Parameter
 

Suffix

UR

SR

UG

Emitting Color

Red

Orange

Yellow-green

Unit \ Chip

GaAlAs

GaAsP / GaP

GaP

Power Dissipation - Total

mW

640

640

640

Power Dissipation - Segment

mW

40

40

40

Forward Current

mA

20

20

20

Peak Forward Current

mA

*60

*60

*60

Reverse Voltage

V

4

4

4

Operating Temperature

°C

-25 ~ 85

-25 ~ 85

-25 ~ 85

Storage Temperture

°C

-55 ~ 100

-55 ~ 100

-55 ~ 100

* 1 msec pulse width, 1/5 duty cycle

Electrical / Optical Characteristics (Ta = 25°C)

Parameter

Symbol

Condition

Unit

UR

SR

UG

min.

typ.

max.

min.

typ.

max.

min.

typ.

max.

Forward Voltage / seg.

VF

IF =10 mA

V

--

1.9

2.1

--

2.0

2.2

--

2.1

2.3

Reverse Current / seg.

IR

VR = 4 V

レA

--

--

10

--

--

10

--

--

10

Luminous Intensity / digit

IV

IF =10 mA

レcd

1300

2500

--

500

1000

--

600

1300

--

Peak Wavelength

P

IF =10 mA

nm

--

660

--

--

635

--

--

565

--

Spectral Line Halfwidth

ツル

IF =10 mA

nm

--

20

--

--

35

--

--

30

--


Product Bulletin : ISPN.E001-079

End of page (06/20/96, Last Update on 05/20/06)